预售产品
- 6mm高性能电机(15)
- 6mm高性能电机(57)
- 6mm高性能电机(221)
- 8mm高性能电机(16)
- 8mm高性能电机(64)
- 8mm高性能电机(64)
- 10mm高性能电机(25)
- 10mm高性能电机(64)
- 10mm高性能电机(64)
- 10mm高性能电机(256)
- 12mm高性能电机(21)
- 12mm高性能电机(103)
- 12mm高性能电机(138)
- 12mm高性能电机(231)
- 16mm高性能电机(21)
- 16mm高性能电机(62)
- 16mm高性能电机(138)
- 22mm高性能电机(43)
- 26mm高性能电机(1526)
- 32mm高性能电机(138)
- 38mm高性能电机(150)
- 42mm高性能电机(62)
- 42mm高性能电机(83)
12mm高性能电机(21)
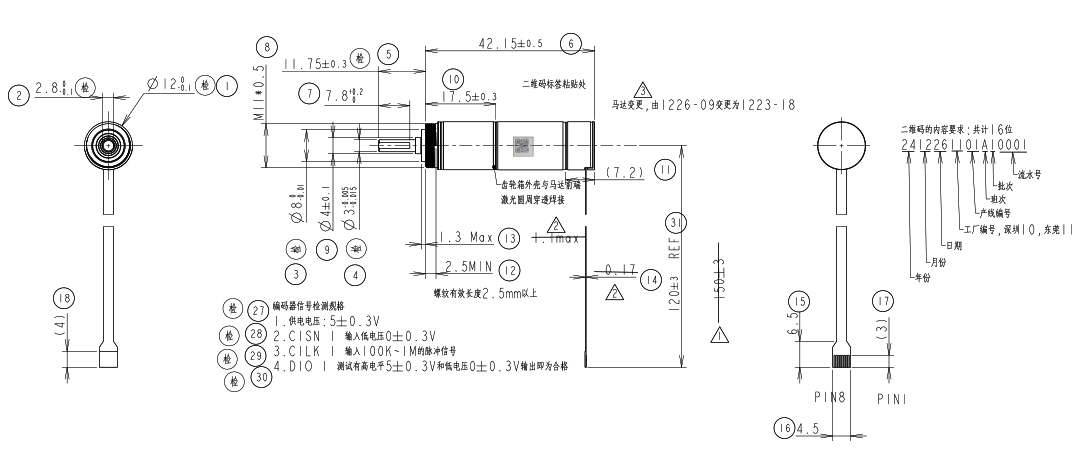
产品型号:ZWSMD012012-21-01
外直径(mm):12
总长度(mm):42.15±0.5
减速比:21:1
额定电压(VDC):12
空载电流(mA MAX.REF):450
空载转速(RPM):1200±10%
额定负载(gf.cm):420
额定转速(RPM):3840±10%
额定电流(mA MAX):1300
最大力矩(gf.cm):1260
空载噪音:变音小于2dB,稳定后不超出55dB(侧面10CM,无防风罩测试)
空载回差(°MAX):1.8
| 电机参数 | |
| 电机型号 | 无刷空心杯马达 |
| 额定电压(VDC) | 12 |
| 空载转速(RPM) | 28600±10% |
| 空载电流(mA REF) | 100 |
| 额定负载力矩(gf.cm) | 25 |
| 额定负载转速(RPM) | 20000±10% |
| 额定负载电流(A MAX) | 0.8 |
| 堵转电流(A MAX) | 2.3 |
| 堵转力矩(gf.cm MIN) | 82 |
设计图纸
















12mm高性能电机(21)规格书
